Centralina
di controllo:
Finalmente, a grande richiesta, un progetto per i più esigenti !
Presentiamo una centralina per controllare le fasi Alba, Giorno, Tramonto, Notte, i Fuochi
e altre uscite.
Si tratta di un circuito che, nella sua apparente semplicità, è abbastanza complesso per
cui un minimo di preparazione nel montaggio di schede elettroniche è richiesta.
Il progetto è del mio amico Sergio Salvitti.
Per semplificare al minimo lo schema e il numero di componenti da montare, viene
utilizzato un microprocessore AVR della Atmel, l'ormai notissimo AT90S8515 con al suo
interno un software specifico. |
Funzioni:
La centralina elettronica per il controllo delle luci del
presepio e' alloggiata in una scatola TEKO D14 180x155x58 mm (LxPxA).
Sul pannello frontale (vedi Fig. 1) sono disponibili: - INGRESSO PER IL CONTROLLO PC
- PULSANTE PER IL LAMP TEST
- LED VERDE "ON" |
All'interno, sul circuito stampato, vi sono dei ponticelli che devono essere
impostati in maniera che uno soltanto sia chiuso.
La centralina puo' funzionare sia con l'ausilio di un Personal Computer, sia in
stand-alone.
In questo caso i ponticelli regolano la velocita' del ciclo giornaliero come segue:
1 ON = 40 secondi
2 ON = 80 secondi
3 ON = 120 secondi
4 ON = 160 secondi
5 ON = 200 secondi
6 ON = 240 secondi
7 ON = 280 secondi
Il ciclo e' suddiviso in 10000 parti e gli eventi si
susseguono nella seguente maniera:
0% = inizio dissolvenza notte-alba
5% = zona 2 off
10% = zona 3 off
50% = inizio dissolvenza giorno-tramonto
60% = zona 1 on
65% = inizio dissolvenza tramonto-notte
70% = zona 2 on
75% = zona 3 on
95% = zona 1 off
Ogni dissolvenza dura un 5% del tempo dell' intero ciclo.
Il fuoco e' sempre attivo.
Per poter controllare la centralina con il PC, il ponticello 8 deve essere chiuso e tutti
gli altri aperti. |
Sul pannello posteriore (vedi Fig. 2) sono previsti 9 connettori bipolari
dei quali il primo a sinistra è l'ingresso della tensione primaria (220) e gli altri 8
corrispondono alle seguenti uscite:
- CH8 = LUCI ALBA
- CH7 = LUCE GIORNO
- CH6 = LUCE TRAMONTO
- CH5 = LUCE STELLE
- CH4 = LUCE ZONA 3
- CH3 = LUCE ZONA 2
- CH2 = LUCE ZONA 1
- CH1 = FUOCO
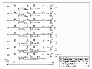
Schema elettrico:
Lo schema della centralina e' imperniato sul microcontrollore
AVR8515 nella posizione U1 con un clock a 8 MHz.
La porta P0 del processore e' utilizzata per comandare le 8 uscite.
Il buffer 74HC541 in pos. U2 comanda gli optotriac che garantiscono l'isolamento galvanico
verso la parte ad alta tensione.
Ogni triac d'uscita dispone di un proprio fusibile da 2 A.
Nella parte in basso a sinistra dello schema elettrico di Fig. 1 possiamo notare
l'alimentatore a 5 volt per la circuiteria digitale.
Nella parte in alto a sinistra sempre della Fig. 1 possiamo invece notare l'ingresso
seriale per il controllo remoto da PC.
L'ingresso principale della tensione primaria (220 V.) è protetto con un fusibile da 5A.
La documentazione (schemi, manuale ecc..) è
scaricabile quì.
 |
Firmware:
Per scrivere il firmware contenuto nel microprocessore è
stato utilizzato il linguaggio C anzichè l' Assembler in modo da renderlo
facilmente comprensibile a tutti. E' stato usato il compilatore AVR-GCC facilmente
scaricabile da Internet.
I sorgenti e il file .hex sono prelevabili quì.

Software:
Finalmente e' disponibile un front-end
grafico per provare la centralina del PRESEPIO ELETTRONICO MULTIMEDIALE sotto Windows.
E' possibile prelevare il programma cliccando quì.

In questa pagina trovi le istruzioni per l'uso:

|
Conclusioni:
Tutta la documentazione completa, il manuale d'uso,
gli schemi, i sorgenti e tutto quello che serve per la realizzazione è possibile
scaricarlo al seguente indirizzo: http://www.salvitti.it.
Per chi non è in grado di reperire i componenti è possibile anche ordinare un kit con
tutto il necessario per la costruzione. |
 |
| salvitti.geo@yahoo.com |
|
|

Fig. 1
Pannello frontale della centralina
|

Fig. 2
Vista posteriore della centralina
|

Fig. 3
Schema elettrico della parte logica
|

Fig. 4
Schema elettrico della parte di potenza
|

Fig. 5
Foto di un prototipo montato
|

Fig. 6
Schema del collegamento seriale con il PC |
|